RSP - Tool changer Kit for ABB GoFa | UR | EPSON ProSix
Tool changers are designed to maximise the flexibility and reliability of your robots. RSP Wechseler bieten die Möglichkeit Ihre Roboteranwendung zu erweitern, indem sie zwischen verschiedenen Werkzeugen wie Greifern, Schweißeinheiten, Vorrichtungen usw. wechseln können. Die Werkzeugwechsler von RSP sind robust und können kontinuierliche Wechselvorgänge mit gleichbleibender Zuverlässigkeit und Sicherheit bewältigen. Depending on the model and options, electrical signals, welding and servo current, data, water and compressed air can be transferred from the robot side to the tool.
- For robot payload 5 kg
- Modular design
- External signals
Nejdůležitější informace
Technical details
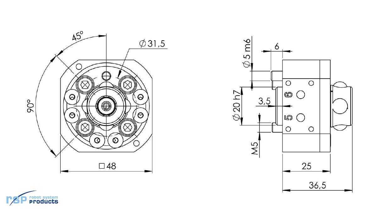
Mechanical interface - ISO 9409-1-31.5-4-M5
Payload - 5 kg | 11 lb
Fz - ± 50 N | ± 11 lb
Mz - ± 50 Nm | ± 450 lbf-in
Mx/My - ± 50 Nm | ± 450 lbf-in
Weight - 0.23 kg | 0.51 lb
Height - 25 mm | 0.98 in
Centre of gravity (Z) - + 16 mm
Total air ducts - 8
Inlet air connection - M5 (8x)
Maximum air pressure - 10 bar | 145 psi
Air quality - Oil-clean, water-free filtered air, with max. 25µm particle content
Total signals - Depending on chosen signal module
Operating temperature - +10°C - +50°C | 50 °F - 120 °F

